Artikel-Nr. 1004633
(alt: 842523)

KLEMR-Q38K-1-24

CHF 115.10 Available in stock
Kunststoff-Lichtleiter

Beschreibung

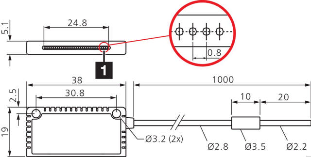
Funktionsprinzip: Einweglichtschranke Länge Lichtleiter: 1.000 mm Lichtaustritt: radial Reichweite: 800 mm Biegeradius: > 60 mm Faser: Ø 0,265 mm, 32 Breite Querschnittswandler: 24,8 mm Auflösung: Ø 1 mm

Technische Daten

Biegeradius > 60 mm
Funktionsprinzip Einweglichtschranke
Lichtaustritt radial
Länge Lichtleiter mm 1000
Reichweite/Tastweite mm 800

Downloads

  Name Download File type
Datenblatt KLEMR-Q38K-1-24 724 KB
.pdf

Zubehör

Unsere Webseite verwendet Cookies, um Ihnen den bestmöglichen Service zu bieten. Durch die Nutzung erklären Sie sich damit einverstanden. Mehr erfahren Sie in den Datenschutzbestimmungen.