Artikel-Nr. 1005353
(alt: 840833)

OGUTI 002 FP3K-TSSL

CHF 165.60 Available in stock
Optischer Etikettensensor

Beschreibung

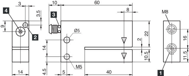
Funktionsprinzip: Optisch Sendelichtquelle: LED Empfindlichkeitseinstellung: Teach-Taste, Fernteach Lichtfarbe: Infrarot / 880 nm Gabelweite: 2 mm Schenkellänge innen: 40 mm Betriebsspannung: 10 ... 35 V DC (Supply Class 2) Leerlaufstrom (max.): 35 mA Schaltausgang: pnp, 200 mA, NO/NC Umgebungstemperatur Betrieb: -10 ... +60 °C Schutzart: IP 67 Anschluss: Stecker, M8, 4-polig

Technische Daten

Zubehör

Unsere Webseite verwendet Cookies, um Ihnen den bestmöglichen Service zu bieten. Durch die Nutzung erklären Sie sich damit einverstanden. Mehr erfahren Sie in den Datenschutzbestimmungen.