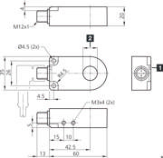
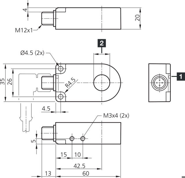
Déscription
Principe de fonctionnement: Statique
Diamètre intérieur: 20,1 mm
Tension de service: 10 ... 35 V DC (Supply Class 2)
Sortie de commutation: npn, 200 mA, NO
Courant de marche à vide (max.): 11 mA
Vitesse de passage des pièces (max.): 35 m/s
Prolongation de limpulsion: 150 ms
Matériau du boîtier: Plastique
Indice de protection: IP 67
Température ambiante de fonctionnement: -25 ... +70 °C
Raccordement: Connecteur, M12, 4 pôles
Données techniques
| Connexion | Connecteur |
| Principe de fonctionnement | Statique |
| Matériau du boîtier | Plastique |
| Diamètre intérieur | 20.1 |
| Sortie de commande | NPN |
| Fonction de sortie de commutation | NO |
| Protection | IP 67 |
Downloads
| Nom | Download | File type | |
|---|---|---|---|
|
|
Fiche technique IRB 20 NS-B3 | 933 KB |