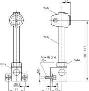
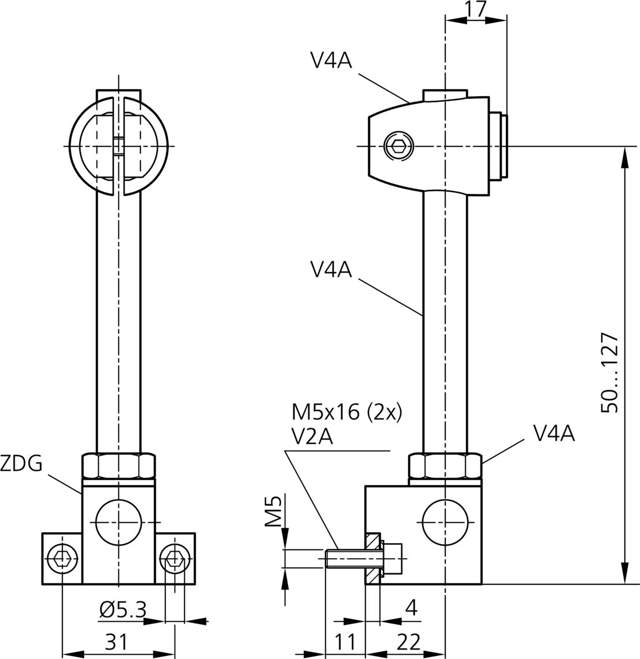
Beschreibung
Geeignet für: Laser-Abstandssensoren LHT 9-45 ...
Lochabstand: 30 mm
Besonderheiten: robuste Bauweise, Justierbar
Befestigungsdurchmesser: Ø 4,3 mm
Material: Edelstahl
Technische Daten
Downloads
| Name | Download | File type | |
|---|---|---|---|
|
|
Datenblatt SH-LHT9-45 | 382 KB | |
|
|
Datenblatt 2 SH-LHT9-45 | 301 KB |