Artikel-Nr. 1004956
(alt: 841577)

LR 21 K 4000 P3

CHF 310.50 Available in stock
Laser-Reflexionslichtschranke

Beschreibung

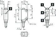
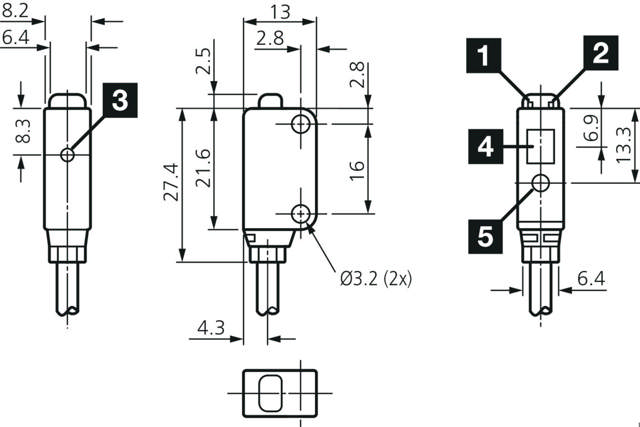
Funktionsprinzip: Reflexionslichtschranke Sendelichtquelle: Laser Lichtfarbe: Rot / 655 nm Reichweite: 0 ... 4.000 mm Bezugsreflektor: RL 45 x 30 Betriebsspannung: 10,8 ... 26,4 V DC Umgebungstemperatur Betrieb: -10 ... +55 °C Schutzklasse: III, Betrieb an Schutzkleinspannung Anschluss: Kabel, 2 m

Technische Daten

Anschluss Kabel 2 m
Reichweite mm 0…4000

Zubehör

Unsere Webseite verwendet Cookies, um Ihnen den bestmöglichen Service zu bieten. Durch die Nutzung erklären Sie sich damit einverstanden. Mehr erfahren Sie in den Datenschutzbestimmungen.