Numéro d'article 1004475
(ancien: 843815)

IR 150 PSOK-IBS

CHF 1’150.00 Available in stock
Capteur annulaire inductif

Déscription

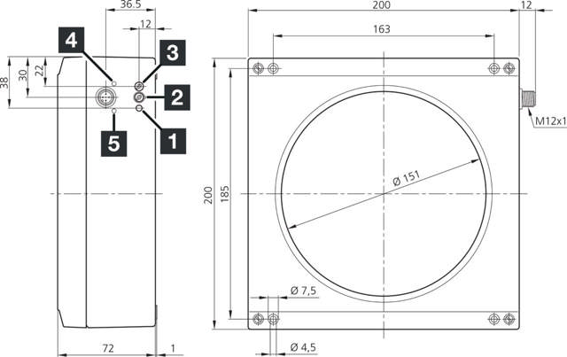
Principe de fonctionnement: Statique Diamètre intérieur: 151 mm Tension de service: 10 ... 35 V DC (Supply Class 2) Sortie de commutation: pnp, 200 mA, NO/NC Courant de marche à vide (max.): 15 mA Vitesse de passage des pièces (max.): 25 m/s Prolongation de l’impulsion: 10 ... 150 ms Matériau du boîtier: Fonte d’aluminium moulée sous pression Indice de protection: IP 67 Température ambiante de fonctionnement: 0 ... +50 °C Raccordement: Connecteur, M12, 4 pôles

Données techniques

Connexion Connecteur
Principe de fonctionnement Statique
Matériau du boîtier Aluminium moulé sous pression
Diamètre intérieur 15.1
Sortie de commande PNP
Fonction de sortie de commutation NO/NC
Protection IP 67

Accessoires

Notre site web utilise des cookies afin de vous offrir le meilleur service possible. En l'utilisant, vous acceptez cette utilisation. Pour en savoir plus, consultez notre politique de confidentialité.