Numéro d'article 1005356
(ancien: 840832)

OGUTI 002 PN3K-TSSL

CHF 165.60 Available in stock
Détecteur d’étiquettes optique

Déscription

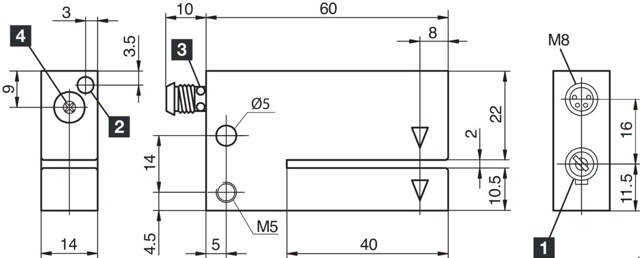
Principe de fonctionnement: Optique Source lumineuse émetteur: LED Réglage de la sensibilité: Touche d’apprentissage Couleur de lumière: Infrarouge / 880 nm Largeur de fourche: 2 mm Longueur de côté intérieur: 40 mm Tension de service: 10 ... 35 V DC (Supply Class 2) Courant de marche à vide (max.): 35 mA Sortie de commutation: pnp+npn, 200 mA, NO/NC Température ambiante de fonctionnement: -10 ... +60 °C Indice de protection: IP 67 Raccordement: Connecteur, M8, 4 pôles

Données techniques

Accessoires

Notre site web utilise des cookies afin de vous offrir le meilleur service possible. En l'utilisant, vous acceptez cette utilisation. Pour en savoir plus, consultez notre politique de confidentialité.